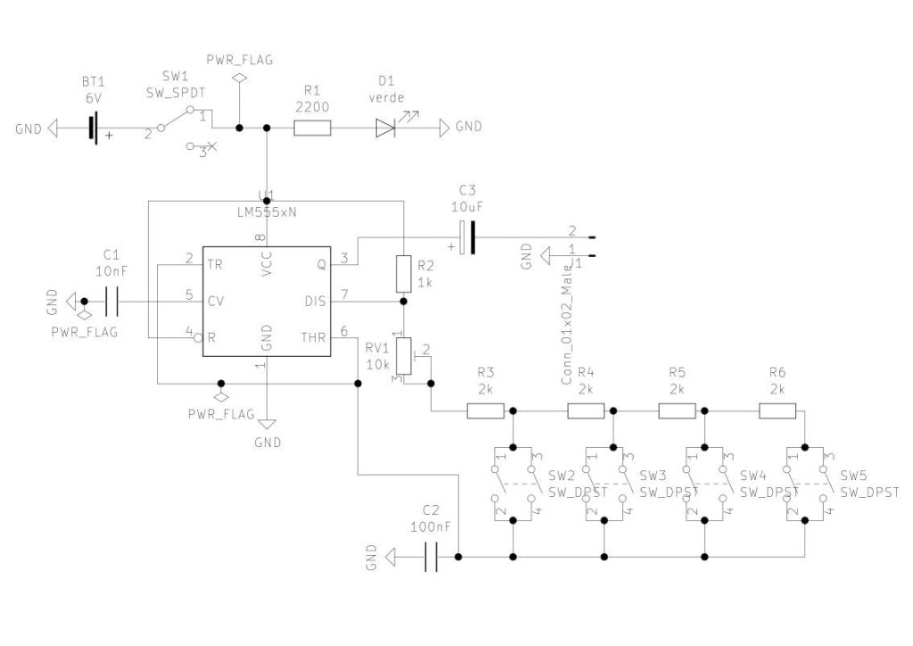
Tastierina giocattolo portatile, realizzata con un timer 555, a 4 toni, e con controllo della tonalità.

Anche se in ordine temporale, ci sarebbe la seconda versione della Atari Punk Console ( a dire il vero la sesta versione), pubblico prima questa tastierina, visto che è una novità, almeno per me.
Anzichè usare il 555 per la confusionaria APC, stavolta le oscillazioni sono gestite tramite dei tasti che attivano il timer e generano dei toni in base ad una scala di resistori, dando proprio l’effetto di una tastiera a 4 tasti ( più avanti magari facciamo la sorella maggiore a 8 toni) .
La prima cosa (quasi) nuova di questo progetto è la scheda pcb fatta in casa su cui sono montati i componenti.
Con Kicad o realizzato prima la mia versione dello schema elettrico (online se ne trovano una marea), adattando le parti ed i loro valori in base a quelle che ho in casa (in pratica ridisegnando metà delle impronte perchè quelle fornite non andavano bene).

Poi sono passato allo sbroglio del pcb sempre in Kicad, posizionando i componenti nella maniera che ritenevo piu comoda, e infine facendo passare le tracce.

Poi le tracce sono state stampate su carta trasferibile, con il caro ferro da stiro ho passato tutto sul rame del foglio di vetronite, e lasciato infine che il cloruro ferrico si mangiasse tutto tranne che le nostre simpatiche piste. Arriva il magico momento dei fori passanti da fare col trapano a colonna, e qui c’è da fare attenzione perche a sbagliare ci si mangia il rame e non resta niente a cui saldare.


Fatti anche i fori senza combinare guai, con calma e attenzione ho saldato i componenti, cercando di non impasticciare le piste tra loro col rame, et voilà, tastierina pronta 🙂 .

La seconda cosa (quasi) nuova è stata la confezione realizzata con Freecad e poi stampata con la mia stampantina 3d. Freecad in questo caso ha creato quanti piu problemi possibili. Per motivi di tempo non ho usato i datum plane, e quindi ad ogni aggiornamento di misure o posizioni, se qualcosa poteva far saltare il modello, quello saltava, ed è stato tutto da rifare per 3-4 volte.



Ma alla fine con un po di attenzione le due parti dell’involucro hanno finalmente preso forma e sono state stampate.
Tutti i pezzi sono andati al loro posto e la tastiera ha preso vita.

Aggiungo che, un po inaspettatamente, la tastierina è proprio comoda da suonare con i pollici, si afferra come un gamepad e i controlli sono bene sotto le dita.

